Soal Essay Instalasi Penerangan Listrik

May 30, 2021

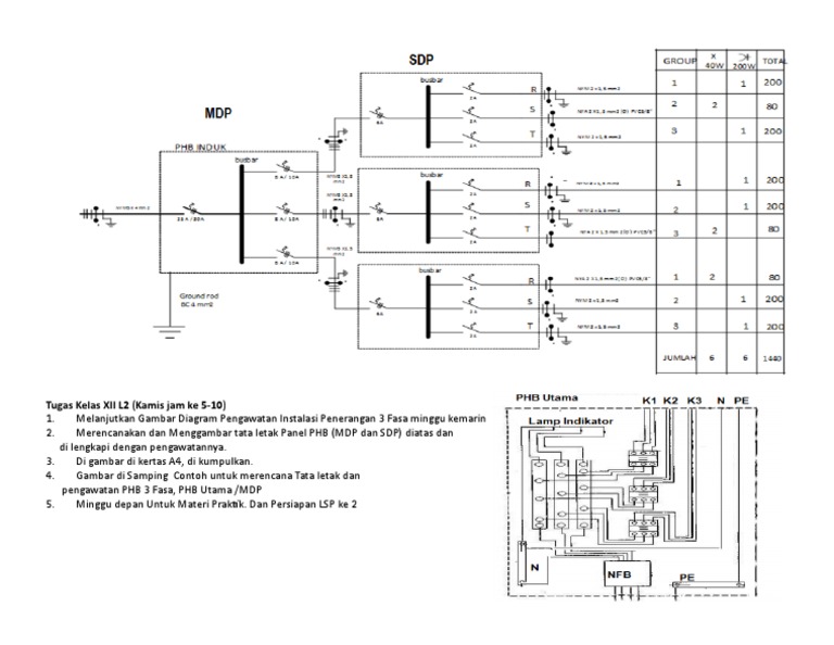
Soal Isian Instalasi Penerang Tugas-soal -instalasi Penerangan Listrik-XI TITL-2 Contoh Soal Instalasi Penerangan Listrik Beserta Jawabannya - Dapatkan Contoh Soal instalasi listrik rumah tangga x l-ok Contoh Soal Instalasi Penerangan Listrik Beserta Jawabannya - Dapatkan Contoh Soal instalasi listrik rumah tangga x l-ok Soal Uts 011 Kk 07.Rino Memasang instalasi tenaga listrik bangunan bertingkat DOC) Soal instalasi penerangan | Putu Suarmayasa - Academia.edu Contoh Soal Instalasi Penerangan Listrik Beserta Jawabannya - Dapatkan Contoh Soal instalasi listrik rumah tangga x l-ok Contoh Soal Ujian Pilihan Ganda - Guru Ilmu Sosial Soal UJian Sekolah Teknik Instalasi Tenaga LIstrik 2011 Paket A Lembar Soal Essay Memasang instalasi tenaga listrik bangunan bertingkat Contoh Soal Dan Jawaban Teknik Tenaga Listrik Pdf - Guru Ilmu Sosial Contoh Soal Instalasi Penerangan Listrik Beserta Jawabannya - Dapatkan Contoh Soal instalasi listrik rumah tangga x l-ok SOAL UJIAN AKHIR ELEKTRO KLS 9 SMST 2 UTAMA Soal Instalasi Penerangan Listrik Kelas 11 - Guru Galeri Trend Soal Essay Instalasi Tenaga Listrik, Terbaru! Soal Instalasi Tenaga Listrik | Masih ada Cita-cita yang harus diraih soal ujian akhir elektro kls 9 smst 2 utama Soal Isian Instalasi Penerang essay4 Soal Uts 011 Kk 07.Rino Soal Remidi Uas Instalasi Penerangan Listrik Semester 5 Tahun 2016 - ProProfs Quiz Contoh Soal Ujian Pilihan Ganda - Guru Ilmu Sosial PDF) INSTALASI LISTRIK DASAR | Aji Anugrah - Academia.edu Tugas-soal -instalasi Penerangan Listrik-XI TITL-2 MODUL INSTALASI TENAGA LISTRIK KLS XI TITL SMT.4-Flip Book Pages 51-97 | PubHTML5 Contoh soal instalasi penerangan listrik beserta jawabannya - Teknik Elektro DI SMK NEGERI 2 WONOSARI - PDF Download Gratis nbsp; Web viewTuliskanlah Pengertian Dari RAB. Gambarlah suatu instalasi penerangan 1 fasa 1 kelompok 4 titik yang terdiri dari: Saklar Tunggal. Saklar Seri. Saklar Tukar JOBSHEET PRAKTIKUM 1 WORKHSOP INSTALASI PENERANGAN LISTRIK 230031821.docx Soal US Paket Keahlian Teknik Instalasi Tenaga Listrik Tahun 2019/2020 Bagian I - Sinau-thewe.com Instalasi Penerangan Listrik SMK Kelas XII | Shopee Indonesia Soal Menerapkan Dasar Sistem Audio (MDSA) + Jawaban Instalasi Penerangan Listrik - Teknik Instalasi Tenaga Listrik, Teknik Tenaga Listrik SMK/MAK Kls XI | Shopee Indonesia DI SMK NEGERI 2 WONOSARI a 15 meter dari atap c 2 meter dari lantai e 15 meter dari lantai b 2 meter | Course Hero Trend Soal Essay Instalasi Tenaga Listrik, Terbaru! PDF) Teknik Gambar Listrik | Puja Setiawan - Academia.edu Soal Isian Instalasi Penerang a 15 meter dari atap c 2 meter dari lantai e 15 meter dari lantai b 2 meter | Course Hero Soal Instalasi Penerangan Listrik Kelas 11 - Guru Galeri RPP-Instalasi Penerangan Listrik Kelas XII-Teknik Instalasi Tenaga Listrik-Kurikulum 2013 ~ Blog edukasi Soal Instalasi Listrik dan Pembahasan Bagian 1 - Dunia Elektro 10. rencana pelaksanaan pembelajaran kd 3.1 TES TERTULIS LEVEL : JUDUL UNIT : Memelihara Instalasi Listrik Tegangan Rendah (1) NAMA : JABATAN : UNIT KERJA : TANDA TANGAN : - PDF Free Download Contoh Soal Essay Dan Jawaban Instalasi Tenaga Listrik - Contoh Soal Terbaru Instalasi Penerangan Listrik TITL SMK/MAK Kelas XII 3thn SOAL MID SEMESTER IPL KLS XII.docx PDF) SKEMA SERTIFIKASI BIDANG OPERASI DISTRIBUSI TENAGA LISTRIK | Yoga Prima Nanda - Academia.edu Contoh Soal Ujian Pilihan Ganda - Guru Ilmu Sosial Tugas-soal -instalasi Penerangan Listrik-XI TITL-2 Trend Soal Essay Instalasi Tenaga Listrik, Terbaru! INSTALASI PENERANGAN LISTRIK KELAS XII Instalasi listrik dasar INSTALASI PENERANGAN LISTRIK PDF) FUNGSI DAN JENIS GAMBAR DALAM PERANCANGAN INSTALASI LISTRIK | Akhmad Zaeni Mukhtar - Academia.edu Contoh Soal Instalasi Penerangan Listrik Beserta Jawabannya - Dapatkan Contoh LAMPIRAN Kisi kisi soal ulangan TITL kelas XII paket B 103 MODEL UJI KOMPETENSI KEAHLIAN INSTALASI LISTRIK Djoko Laras Budiyo Taruno Abstrak Penelitian ini bertujuan untuk mendapatkan SILABUS INSTALASI PENERANGAN Instalasi listrik dasar Contoh Soal Ujian Pilihan Ganda - Guru Ilmu Sosial Pengembangan Modul Pembelajaran Berbasis Daring pada Mata Pelajaran Instalasi Penerangan Listrik Kelas XI Teknik Instalasi Tenag Teknik Instalasi Tenaga Listrik: Latihan Soal Kelas XI INSTALASI PENERANGAN LISTRIK Tugas Kelas XII L2 Merencanakan PHB Instalasi Penerangan 3 Fasa 4.RPP-IPL-pertemuan 10-13 Instalasi listrik dasar PENERAPAN MODEL PEMBELAJARAN GROUP INVESTIGATION UNTUK MENINGKATKAN MOTIVASI BELAJAR PESERTA DIDIK PADA MATA PELAJARAN INSTALASI Soal Prakarya Instalasi Listrik | Guru Paud Contoh Soal Instalasi Penerangan Listrik Beserta Jawabannya - Dapatkan Contoh LAMPIRAN PENERAPAN MODEL PEMBELAJARAN GROUP INVESTIGATION UNTUK MENINGKATKAN MOTIVASI BELAJAR PESERTA DIDIK PADA MATA PELAJARAN INSTALASI Kumpulan Soal Listrik Soal Alat Ukur Listrik 1. Suatu alat yang digunakan untuk mengukur serta menguji besarnya nilai tahanan Soal Isian Instalasi Penerang Contoh Soal Ujian Pilihan Ganda - Guru Ilmu Sosial TES TERTULIS LEVEL : JUDUL UNIT : Memelihara Instalasi Listrik Tegangan Rendah (1) NAMA : JABATAN : UNIT KERJA : TANDA TANGAN : - PDF Free Download SOAL UJIAN AKHIR ELEKTRO KLS 9 SMST 2 UTAMA RENCANA PELAKSANAAN PEMBELAJARAN (RPP) .RPP Memasang Instalasi Penerangan Listrik Bangunan Sederhana - [PDF Document] MODUL INSTALASI TENAGA LISTRIK KLS XI TITL SMT.4-Flip Book Pages 51-97 | PubHTML5 Contoh Soal Essay Dan Jawaban Instalasi Tenaga Listrik - Contoh Soal Terbaru PENGUNAAN MINIATUR INSTALASI LISTIK UNTUK MENINGKATKAN PEMAHAMAN PESERTA DIDIK PADA MATA PELAJARAN INSTALASI PENERANGAN LISTRIK RENCANA PELAKSANAAN PEMBELAJARAN (RPP) .RPP Memasang Instalasi Penerangan Listrik Bangunan Sederhana - [PDF Document] Soal Prakarya Instalasi Listrik | Guru Paud 10. rencana pelaksanaan pembelajaran kd 3.1 Contoh Soal Dan Jawaban Tentang Instalasi - Guru Ilmu Sosial TES TERTULIS LEVEL : JUDUL UNIT : Memelihara Instalasi Listrik Tegangan Rendah (1) NAMA : JABATAN : UNIT KERJA : TANDA TANGAN : - PDF Free Download Soal Uts 011 Kk 07.Rino - [DOCX Document] MODUL INSTALASI TENAGA LISTRIK KLS XI TITL SMT.4-Flip Book Pages 51-97 | PubHTML5 Memasang instalasi tenaga listrik bangunan sederhana Trend Soal Essay Instalasi Tenaga Listrik, Terbaru! SAKLAR TUKAR | StarDay Blog PENGUNAAN MINIATUR INSTALASI LISTIK UNTUK MENINGKATKAN PEMAHAMAN PESERTA DIDIK PADA MATA PELAJARAN INSTALASI PENERANGAN LISTRIK

Healthy Food Essay

Cara Buat Essay Yang Baik